Project information
- Project date: 16th December 2022
- Project GitHub: Click Here to View
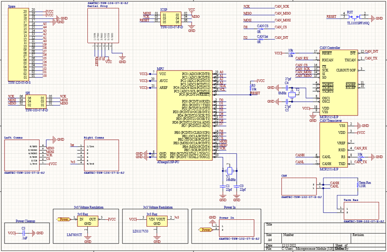
Junior Design Live Telemetry Project
This was the third design project I had to complete in my Junior Design class. It was a live telemetry project that was insired by the the University of Pittsburgh FSAE Team.